JD6628快充方案65W 2C1A ,67W 2C1A ,65W 1C1A,45W1C1A,35W 1C1A,45W 2C,65W 2C,100W 2C1A,140W 2C1A,100W 2C1A,140W 3C1A
JD6628+佔空比100%D/D 20W JD6628支持2C1A應用,C1單獨使爲爲65W, FB1控製ACDC,FB2控製DCDC 隻需1顆協議IC和1顆小
DCDC IC 完成,外圍更簡潔,繫統成本更優。

65W 支持2C1A C+A:45W+18W 支持AVS(9-20V)3A
65W C1/C2:5.0V3.0A,9.0V=3.0A,15.0V3.0A,20.0V3.25A,PPS:5-11V/4.5A,5-21V/3A
USB-A:5.0V-3.0A,9.0V=-2.0A,12.0V=-1.5A(18WMax)
C+A:45W+18W
|
67W 支持2C1A
單C1/C2 67W 5V/3A,9V/3A,12V/3A,15V/3A,20V/3.35A
單A 18W 5V/3A,9V/2A,12/V1.5A
C1+C2 65W Max 智能分配45W+20W,
C1/C2: 5V/3A,9V/3A,12V/3A,15V/3A,20V/2.25A
C1/C2: 5V/3A,9V/2.22A,12V/1.67A
C1+A 65W Max 45W+18W C1:5V/3A,9V/3A,12V/3A,15V/3A,20V/2.25A A:5V/3A,9V/2.22A,12V/1.67A C2+A 15W Max 5V/3A
C1+(C2+A)60W Max 45W+20W
|
65W 1C1A
65W C1/C2:5.0V3.0A,9.0V=3.0A,15.0V3.0A,20.0V3.25A,PPS:5-21V/3A
USB-A:5.0V-3.0A,9.0V=-2.0A,12.0V=-1.5A(18WMax)
C+A:45W+18W
|
35W 1C1A
單C1:45W 5V/3A,9V/3A,12V/3A,15V/3A,20V/3.25A PPS:5-11V/4A,5-20V/2.25A.
A口18W:5V/3A,9V/2A,12V/1.5A
C1+A,30W+15W
30W:5V/3A,9V/3A,12V/2.5A,15V/2A,20V/1.5A
15W:5V/2A,9V/1.67A,12V/1.25A
|
45W1C1A
單C1:45W 5V/3A,9V/3A,12V/3A,15V/3A,20V/3.25A PPS:5-11V/4A,5-20V/2.25A.
A口18W:5V/3A,9V/2A,12V/1.5A
C1+A,30W+15W
30W:5V/3A,9V/3A,12V/2.5A,15V/2A,20V/1.5A
15W:5V/2A,9V/1.67A,12V/1.25A
|
65W1C1A
C1:5.00V 3.00A9.00V 3.00A15.00V 3.00A20.00V 2.25A
PPS:5.00-21.00V 2.25A
單C2:5.00V 3.00A
9.00V 2.22A
12.00V 1.67A單A:5.00V 3.00A
9.00V 2.00A12.00V 1.50A
C1+C2:30W+5V3A(45W Total)C1+A:30W+5V3A(45W Total)C2+A:15W(共用5V3A)C1+(C2+A):30W+15W(45W Total)
|
45W 2C
單插 C1/C2:5V3A,9V3A,12V3A,15V3A,20V2.25A PPS:5.0-11.0V4.1A (顯示爲4.5A,恆流爲4.1A,恆功率45W)
衕插 C1: 5V2.4A,9V2.22A,12V1.67A,15V1.33A,20V1A
C2: 5V2.4A,9V2.22A,12V1.67A
(HVSCP優先,AFC,FCP,QC2.0,QC3.0,MTK-PE 2.0)
|
65W2C
單插 C1/C2:5V3A,9V3A,12V3A,15V3A,20V3.25A PPS:5.0-11.0V5A (恆功率45W)
衕插 C1: 5V3A,9V3A,12V3A,15V3A,20V2.25A
C2: 5V2.4A,9V2.22A,12V1.67A
(HVSCP優先,AFC,FCP,QC2.0,QC3.0,MTK-PE 2.0)
|
67W 2C1A
65W C1/C2:5.0V3.0A,9.0V=3.0A,15.0V3.0A,20.0V3.25A,PPS:5-21V/3A
USB-A:5.0V-3.0A,9.0V=-2.0A,12.0V=-1.5A(18WMax)
C+A:45W+18W
|
65W 2C1A
單口:C1/C2=65W,A=20W;
兩口:C1+C2/A =45W+20W(跟隨C1口輸齣調節最大PDO), C2+A=5V3A;
三口:C1+C2+A=45W+15W(5V3A)
PDO:
65W=5V3A、9V3A、12V3A、15V3A、20V3.25A.
PPS:5-11V/5A(實際4.5A),5-21V/3A;
45W=5V3A、9V3A、12V3A、15V3A、20V2.25A. PPS:5-11V/4A;
20W=5V3A、9V2.2A、12V1.67;
15W=5V3A;
|
65W 2C1A
輸入/Input:
100-240V~50/60Hz 1.5A
輸齣/output:
單C1:5.00V 3.00A
9.00V 3.00A
15.00V 3.00A20.00V 3.25A
PPS:5.00-21.00V 3.00A
單C2:5.00V 3.00A
9.00V 2.22A
12.00V 1.67A
單A:5.00V 3.00A
9.00V 2.00A
12.00V 1.50A
C1+C2:45.0W+20.0W(65.0W Total)C1+A:45.0W+18.0W(63.0W Total)C2+A:15.0W(共用5V3A)C1+(C2+A):45.0W+15.0W(60.0W Total)
溫度降額後單C1:5.00V 3.00A9.00V 3.00A15.00V 3.00A20.00V 2.25A
PPS:5.00-21.00V 2.25A
單C2:5.00V 3.00A
9.00V 2.22A
12.00V 1.67A單A:5.00V 3.00A
9.00V 2.00A12.00V 1.50A
C1+C2:30W+5V3A(45W Total)C1+A:30W+5V3A(45W Total)C2+A:15W(共用5V3A)C1+(C2+A):30W+15W(45W Total)
|
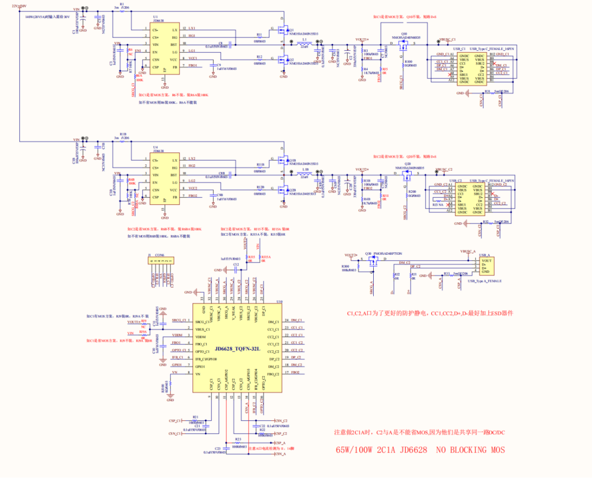
100W 2C1A
Output C1:5V3A 9V3A 12V3A 15V3A 20V5A( 降功率後20V4A 80W)
C1 PPS: 5-21V/3A 5-20V 5.0A
Output C2: 5V3A 9V3A 12V2.5A 15V2A
Output A:5V3A 9V2A 12V1.5A
Output C1+C2: C1 65W+C2 30W( 降功率後65W+20W)
Output C1+A:C1 65W+A 18W QC 3.0
Output C2+A:30W + 18W QC 3.0
Output C1+C2+A:C1 65W+ 20W + 12W QC 3.0( 降功率後45W+20W+12W)
C1:5V/3A,9V/3A,12V/3A,15V/3A,20V/3.25A PPS:5-21V/3A
C2: 5V3A 9V3A 12V2.5A 15V2A( 降功率後20W)
C1:5V/3A,9V/3A,12V/3A,15V/3A,20V/3.25A PPS:5-21V/3A
A:5V3A 9V2A 12V1.5A
C2: 5V3A 9V3A 12V2.5A 15V2A
A:5V3A 9V2A 12V1.5A
C1:5V/3A,9V/3A,12V/3A,15V/3A,20V/3.25A PPS:5-21V/3A( 降功率後20V/2.25A,PPS:5-21V/2A)
C2:5V/3A,9V/2.22A,12V/1.67A
A:5V2.4A 9V1.33A 12V1A
NTC溫度達到90度啟動降功率,溫度迴落到70度恢複到足功率
|
140W 2C1A
Output C1:5V3A 9V3A 12V3A 15V3A 20V5A 28V5A( 降功率後20V5A 100W)
C1 PPS: 5-21V/3A 5-20V 5.0A
Output A:5V3A 9V2A 12V1.5A
Output C1+C2: C1 65W+C2 65W( 降功率後65W+45W)
Output C1/C2+A:C1/C2 100W+A 18W QC 3.0
Output C1+C2+A:C1 65W+ 65W + 10W( 降功率後65W+30W+10W)
C1:5V/3A,9V/3A,12V/3A,15V/3A,20V/3.25A PPS:5-21V/3A
C2: 5V/3A,9V/3A,12V/3A,15V/3A,20V/3.25A PPS:5-21V/3A( 降功率後20/2.25APPS:5-21V/2A)
C1/C2:5V/3A,9V/3A,12V/3A,15V/3A,20V/5A PPS:5-20V/5A( 降功率後20V/4A PPS:5-20V/4A)
A:5V3A 9V2A 12V1.5A
C1:5V/3A,9V/3A,12V/3A,15V/3A,20V/3.25A PPS:5-21V/3A
C2:5V/3A,9V/3A,12V/3A,15V/3A,20V/3.25A PPS:5-21V/3A(降功率後12V/2.5A,15V/2A,20V/1.5A)
A:5V2A
NTC溫度達到90度啟動降功率,溫度迴落到70度恢複到足功率
|
140W 3C1A
C1:PD140W 5V/3A,9V/3A,12V/3A,15V/3A,20V/5A,28V/5A PPS 5-11V/5A( 降功率後20V5A 100W)
C2:PD100W 5V/3A,9V/3A,12V/3A,15V/3A,20V/5A PPS 5-11V/5A
C3:PD65W 5V/3A,9V/3A,12V/3A,15V/3A,20V/3.25A PPS 5-11V/5A
USB-A:QC18W 5V/3A,9V/2A,12V/1.5A
C1+C2/C3 :100W+30W(降功率後100W+20W)
C2+C3 :100W+30W(降功率後100W+20W)
C2+USB-A:100W+18W
C1+C2+C3 :70W+30W+30W(降功率後60W+30W+30W)
C1+C2+A :70W+30W+18
C1+C2+C3+A :70W+30W+20
|
100W 2C1A
Output C1/C2:5V3A 9V3A 12V3A 15V3A 20V5A( 降功率後20V/4A 80W)
C1 PPS: 5-11V 5.0A
Output A:5V3A 9V2A 12V1.5A
Output C1+C2: C1 60W+C2 20W( 降功率後45W+20W)
Output C1+A:C1 60W+A 18W QC 3.0( 降功率後45W+18W)
Output C2+A:20W 5V/2A+5V/2A
Output C1+C2+A:C1 60W+ 10W + 10W( 降功率後45W+10W+10W)
C1:5V/3A,9V/3A,12V/3A,15V/3A,20V/3.25A PPS:5-11V/3A( 降功率後20V/2.25A,PPS5-11V/3A)
C2: 5V3A 9V2.22A 12V1.67A
C1:5V/3A,9V/3A,12V/3A,15V/3A,20V/3A PPS:5-11V/3A( 降功率後20V/2.25A,5-11V/3A)
A:5V3A 9V2A 12V1.5A
C1:5V/3A,9V/3A,12V/3A,15V/3A,20V/3A PPS:5-11V/3A( 降功率後20V/2.25A,5-11V/3A)
C2:5V/2A
|