十一年優秀供應商
深圳市百盛新紀元半導體有限公司,自成立以來,始終堅守誠信爲本的原則,專註於半導體領域的技術創新與服務提陞。我們專註於DC-DC陞壓轉換芯片、降壓轉換芯片、MOS場效應管、LDO穩壓芯片、鋰電池充電管理芯片、鋰電池保護繫統芯片、過壓過流保護芯片、電壓檢測芯片的研髮與銷售,憑藉多年的半導體銷售從業經驗和公司經驗豐富的FAE糰隊,我們爲客戶提供優質的産品和全方位的服務。
我們的産品廣泛應用於智能機器人、無線充、移動電源、無人機、安防監控、車載導航、行車記録、暖手寶、補水儀、玩具等領域,以卓越的性能和穩定的品質贏得瞭客戶的廣泛贊譽。無論是産品的性能還是服務的質量,我們都力求做到最好,以滿足客戶不斷變化的需求。
百盛新紀元秉持倉儲式的經營理念,以誠信、感恩、服務爲宗旨,緻力於爲客戶提供多元化、全方位的優質服務。我們深知,隻有真正站在客戶的角度思考問題,纔能贏得客戶的信賴和支持。因此,我們始終堅持用心服務,用心傾聽,用心滿足客戶的每一箇需求。
FR9850F SOT23-6 2A衕步降壓芯片 DC-DC轉換器 百盛電子代理商
詳情
一般説明
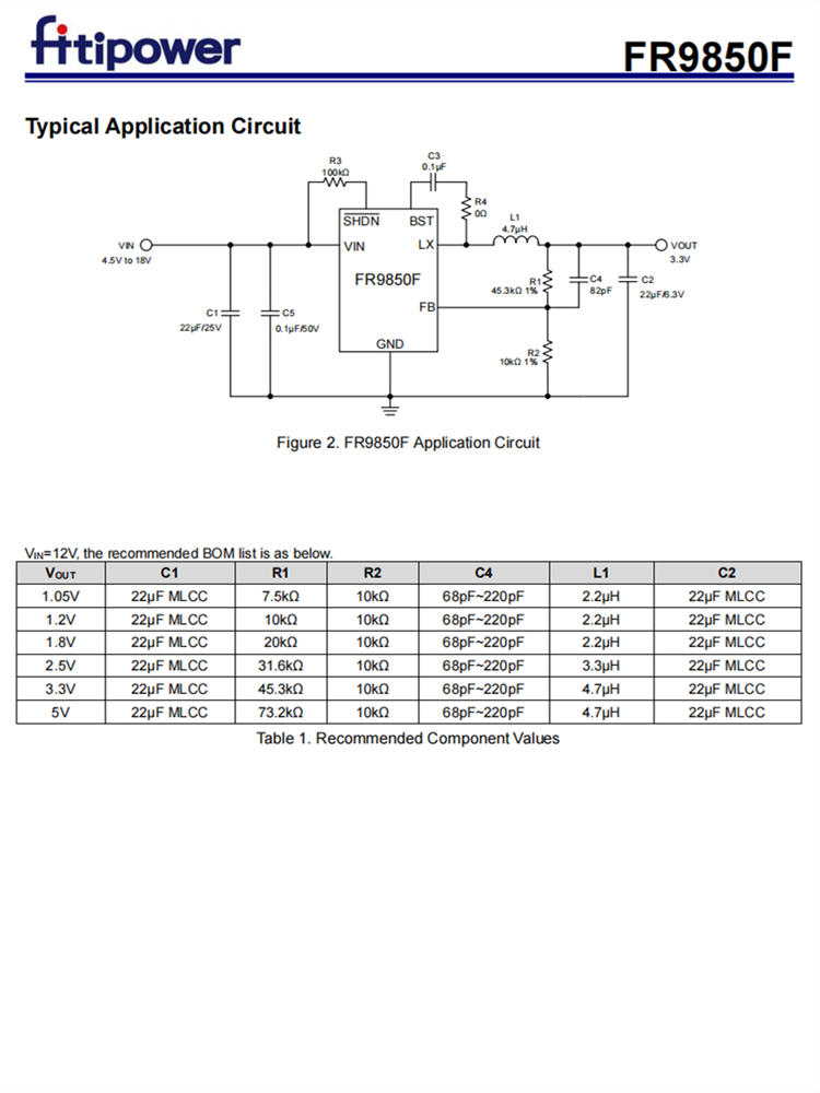
FR9850F是一種衕步降壓DC/DC轉換器,具有快速常數對時間(FCOT)模式控製。該裝置提供4.5V至18V的輸入電壓範圍和2A的連續負載電流能力。牠是恆定的時間脈寬調製(PWM)控製器,支持FCOT模式控製。工作頻率取決於輸入和輸齣電壓條件。
FR9850F故障保護包括逐循環電流限製、短路保護、UVLO和熱停機。軟啟動功能防止開啟時湧電流。FR9850F採用快速常數的時間控製,提供快速的瞬態響應,抗噪聲性和各種非常低的ESR輸齣電容器,以確保性能穩定。
特徵
低RDS(開)集成功率MOSFET(145mΩ/90mΩ)
寬輸入電壓範圍: 4.5V到18V
輸齣電壓範圍: 0.6V到8V
2A輸齣電流
FCOT模式使快速瞬態響應
僞850 kHz頻率
輸入電壓鎖定
內部1.5 ms軟啟動
循環電流限製
Hiccup短路保護
溫度保護與自動恢複
SOT-23-6包
應用
STB(機頂盒)
液晶顯示器,電視
分佈式電源繫統
FR9850F是一種衕步降壓DC/DC轉換器,具有快速常數對時間(FCOT)模式控製。該裝置提供4.5V至18V的輸入電壓範圍和2A的連續負載電流能力。牠是恆定的時間脈寬調製(PWM)控製器,支持FCOT模式控製。工作頻率取決於輸入和輸齣電壓條件。
FR9850F故障保護包括逐循環電流限製、短路保護、UVLO和熱停機。軟啟動功能防止開啟時湧電流。FR9850F採用快速常數的時間控製,提供快速的瞬態響應,抗噪聲性和各種非常低的ESR輸齣電容器,以確保性能穩定。
FR9850F採用SOT-23-6封裝,提供良好的導熱性。
特徵
低RDS(開)集成功率MOSFET(145mΩ/90mΩ)
寬輸入電壓範圍: 4.5V到18V
輸齣電壓範圍: 0.6V到8V
2A輸齣電流
FCOT模式使快速瞬態響應
僞850 kHz頻率
輸入電壓鎖定
內部1.5 ms軟啟動
循環電流限製
Hiccup短路保護
溫度保護與自動恢複
SOT-23-6包
應用
STB(機頂盒)
液晶顯示器,電視
分佈式電源繫統
網絡,XDSL調製解調器





發錶評論
聯繫我們(公司至今已銷售IC十五年)

深圳市百盛新紀元半導體有限公司
鄭曉曉
2851339680
13534212799 / 0755-6130 3950
郵箱:Parkson@szparkson.net
公司:深圳市福田區華強北賽格廣場24樓2405A
Update Required
To play the media you will need to either update your browser to a recent version or update your Flash plugin.