深圳市百盛新紀元半導體有限公司,自成立以來,始終堅守誠信爲本的原則,專註於半導體領域的技術創新與服務提陞。我們專註於DC-DC陞壓轉換芯片、降壓轉換芯片、MOS場效應管、LDO穩壓芯片、鋰電池充電管理芯片、鋰電池保護繫統芯片、過壓過流保護芯片、電壓檢測芯片的研髮與銷售,憑藉多年的半導體銷售從業經驗和公司經驗豐富的FAE糰隊,我們爲客戶提供優質的産品和全方位的服務。
我們的産品廣泛應用於智能機器人、無線充、移動電源、無人機、安防監控、車載導航、行車記録、暖手寶、補水儀、玩具等領域,以卓越的性能和穩定的品質贏得瞭客戶的廣泛贊譽。無論是産品的性能還是服務的質量,我們都力求做到最好,以滿足客戶不斷變化的需求。
百盛新紀元秉持倉儲式的經營理念,以誠信、感恩、服務爲宗旨,緻力於爲客戶提供多元化、全方位的優質服務。我們深知,隻有真正站在客戶的角度思考問題,纔能贏得客戶的信賴和支持。因此,我們始終堅持用心服務,用心傾聽,用心滿足客戶的每一箇需求。
天德鈺PD2.0快充協議IC:FP6608,FP6605,FP6603 PDF
詳情
內容簡介:
1,FP6605:單口PD2.0快充協議IC,SOP8封裝
2,FP6608:雙口(C口+A口)PD2.0快充協議IC
3,FP6603:可做雙路PD2.0快充協議IC
1,FP6605:單口PD2.0快充協議IC,SOP8封裝
The FP6605 is a simply USB Power Delivery (PD)protocol controller without USB-IF certification. Itintegrated functions for HiSilicon Fast ChargingProtocol (FCP) and Qualcomm Quick Charge2.0/3.0 source only interface.FP6605 couldsupport most consumer electronics product, likeNB, cell phone, Tablet, video game machine.
The FP6605 monitors the CC pin to detect a USBType C attach/detach. It is capable providingoutput voltage of 5V to 15V. The FP6605implements VBUS detection and discharge for theimplementation of compliant connection ports. Theprotection features include over-voltage (CC PinVBUS, D+ D-).
Features
●VDD Supply Voltage: 3.2V to 6.8V
●Supports USB Type-C and Power Delivery
-- 5 to 15V VBUS Source Only
-- CC1/CC2 Source Terminator 3A
●Supports HiSilicon Fast Charging Protocol (FCP)
● Supports Qualcomm
Quick ChargeTM 2.0/3.0Class A
● Automatically Selects FCP and QC2.0/3.0 Protocols
● Over-voltage and VBUSC Discharge Function
● SOP-8 Package( Exposed Pad)


2,FP6608:雙口(C口+A口)PD2.0快充協議IC
The FP6608 is a simply USB Power Delivery (PD)protocol controller without USB-IF certification. Itintegrated functions for HiSilicon Fast ChargingProtocol (FCP) and Qualcomm Quick Charge2.0/3.0 source only interface. It also both provideType A and Type C connectors (1A1C). When1A1C connector plug into Simultaneously, outputvoltage will down to 5V. FP6608 could supportmost consumer electronics product, like NB, cellphone, Tablet, video game machine.
The FP6608 monitors the CC pin to detect a USBType C attach/detach. It is capable providingoutput voltage of 5V to 15V. The FP6608implements VBUS detection and discharge for theimplementation of compliant connection ports. Theprotection features include over-voltage (CC PinVBUS, D+ D-).Additionally, the FP6608 also monitors USB D+/Ddata line, connector plug in/out and automaticallyadjust the output voltage depending on differentdevice requirement. It is capable providing outputvoltage of 3.6V to 12V.
Features:
●VDD Supply Voltage: 3.2V to 6.8V
●Supports USB Type C and Power Delivery
-- 5 to 15V VBUS Source Only
-- CC1/CC2 Source Terminator 3A
●Supports HiSilicon Fast Charging Protocol (FCP)
● Supports Qualcomm
Quick ChargeTM 2.0/3.0Class A
● Automatically Selects FCP and QC2.0/3.0 Protocols
● Supports USB DCP Shorting D+ Line to D− Line perUSB Battery Charging Specification, Revision 1.2
● Supports USB DCP Applying 2.7V on D+ Line and2.7V on D− Line
● USB A Port Plug in Detection
● HV Disabled Function in Multi Ports Application
● Over-voltage Protection and VBUS DischargeFunction
● SSOP-20L and TQFN-20L ( 3mmx3mm) Packages


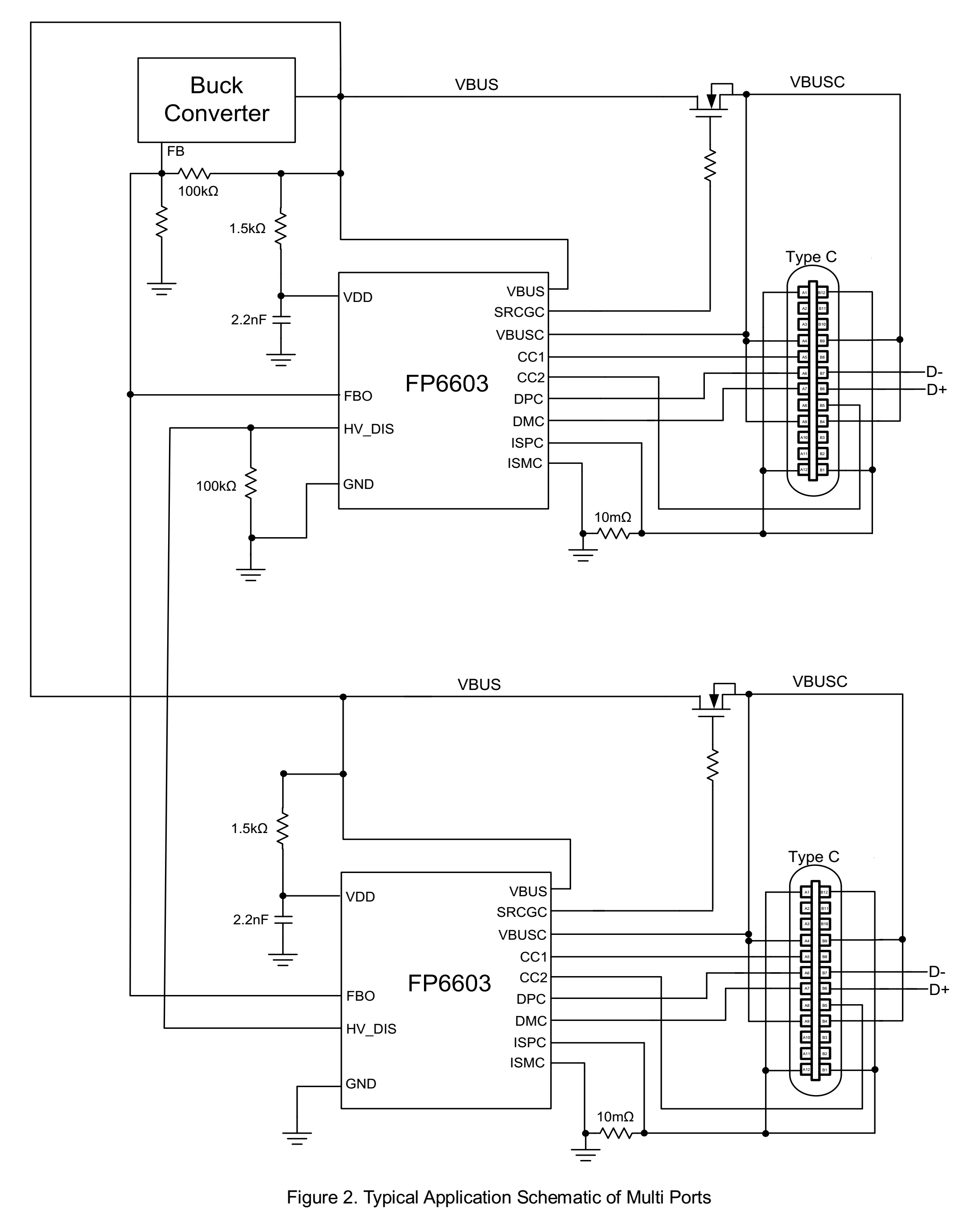
3,FP6603:可做雙路PD2.0快充協議IC
The FP6603 is a simply USB Power Delivery (PD)protocol controller without USB-IF certification. Itintegrated functions for HiSilicon Fast ChargingProtocol (FCP) and Qualcomm Quick Charge2.0/3.0 source only interface.FP6603 couldsupport most consumer electronics product, likeNB, cell phone, Tablet, video game machine.
The FP6603 monitors the CC pin to detect a USBType C attach/detach. It is capable providingoutput voltage of 5V to 15V. The FP6603implements VBUS detection and discharge for theimplementation of compliant connection ports. Theprotection features include over-voltage (CC PinVBUS, D+ D-).
Features:
|

深圳市百盛新紀元半導體有限公司
鄭曉曉
2851339680
13534212799 / 0755-6130 3950
郵箱:Parkson@szparkson.net
公司:深圳市福田區華強北賽格廣場24樓2405A
