深圳市百盛新纪元半导体有限公司,自成立以来,始终坚守诚信为本的原则,专注于半导体领域的技术创新与服务提升。我们专注于DC-DC升压转换芯片、降压转换芯片、MOS场效应管、LDO稳压芯片、锂电池充电管理芯片、锂电池保护系统芯片、过压过流保护芯片、电压检测芯片的研发与销售,凭借多年的半导体销售从业经验和公司经验丰富的FAE团队,我们为客户提供优质的产品和全方位的服务。
我们的产品广泛应用于智能机器人、无线充、移动电源、无人机、安防监控、车载导航、行车记录、暖手宝、补水仪、玩具等领域,以卓越的性能和稳定的品质赢得了客户的广泛赞誉。无论是产品的性能还是服务的质量,我们都力求做到最好,以满足客户不断变化的需求。
百盛新纪元秉持仓储式的经营理念,以诚信、感恩、服务为宗旨,致力于为客户提供多元化、全方位的优质服务。我们深知,只有真正站在客户的角度思考问题,才能赢得客户的信赖和支持。因此,我们始终坚持用心服务,用心倾听,用心满足客户的每一个需求。
NS6322固定5V输出车充IC,2.4A可调输出电流
详情
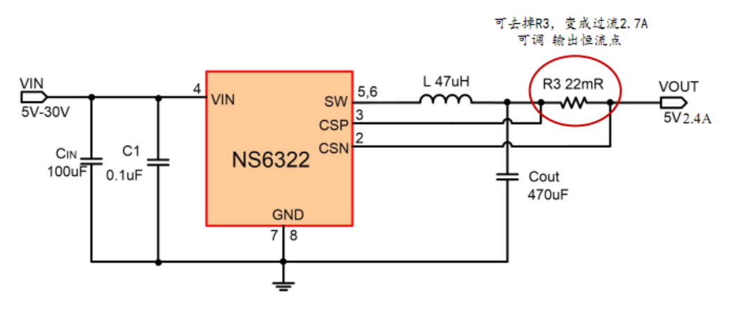
NS6322 是支持高电压输入的同步降压电源管理芯片, 在 4~30V 的宽输入电压范围内可实现 2.4A的连续电流输出。 NS6322 具有优秀的恒压/恒流CC/CV)特性。 NS6322 采用电流模式的环路控制原理, 实现了快速的动态响应。 NS6322 工作开关频率为 130kHz, 具有良好的 EMI 特性。另外, 芯片包含多重保护功能: 过温保护, 输出短路保护和输入欠压/过压保护等。NS6322 采用 SOP8 的标准封装 。
特性
宽输入电压范围: 4V 至 30V
效率可高达 92%以上
超高恒流精度: ±5%
恒压精度: ±5%
无需外部补偿
开关频率: 130kHz
输入欠压/过压、 输出短路和过热保护
SOP-8 封装
输出电流: 2.4A
应用范围
车载充电器/适配器
线性调节前置稳压器
分布式供电系统
电池充电器
NS6322输出恒流点可由连接到 CSN 和 CSP 管脚之前的电阻来设定, 分压电阻精度应≤1%。 Rsense 电阻值由下述
公式确定: 60mV / I=R
PCB 布局建议
PCB 布局应遵循如下规则以确保芯片的正常工作。
1.功率线包括地线, SW 线和 VIN 线应该尽量做到短、 直和宽。
2.输入电容应尽可能靠近芯片管脚(VIN 和 GND)。
3.功率开关节点通常是高频电压幅值方波, 所以应保持较小铺铜面积, 且模拟元件应远离功率开关节点
区域以防止掺杂电容噪音。
4.所有模拟地应连接到同一个节点, 然后将该节点连接到输出电容后面的功率地, 做到一点接地


深圳市百盛新纪元半导体有限公司
郑晓晓
2851339680
13534212799 / 0755-6130 3950
邮箱:Parkson@szparkson.net
公司:深圳市福田区华强北赛格广场24楼2405A